+86-0523-83274900
توصيلات محول Storz - Male Machino
بيت / منتج / محولات / توصيلات محول Storz - Male Machino

توصيلات محول Storz - Male Machino

يتم استخدام توصيلات المحول للاتصال أو التحويل بين المعايير المختلفة وأنواع التجهيزات. إنها تسمح بتوصيل واجهات غير متوافقة مع بعضها البعض بسلاسة.

تشمل توصيلات المحول ، على سبيل المثال لا الحصر: الألمانية إلى Storz (ذكر/أنثى) ، الألمانية إلى الغابات ، الألمانية إلى الألمانية قفل الذات ، الألمانية إلى الحافة ، الألمانية إلى متعددة الأسنان ، ذكور Storz إلى Storz أنثى ، Storz إلى الغابات ، إلخ.
يمكن تخصيص جميع أنواع توصيلات المحول عند الطلب.

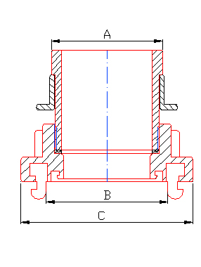
أبعاد موارد

البند لا.

DIN/MM

ديا

A/MM

ب/مم

ج/مم

/

25/40

1 "/1.5"

29

53

82

25/50

1 "/2"

29

66

98

25/65

1 "/2.5"

29

76

110

25/80

1 "/3"

29

89

126

40/40

1.5 "/1.5"

43.6

53

82

40/50

1.5 "/2"

43.6

66

98

40/65

1.5 "/2.5"

43.6

76

110

40/80

1.5 "/3"

43.6

89

126

50/50

2 "/2"

55.6

66

98

50/65

2 "/2.5"

55.6

76

110

50/80

2 "/3"

55.6

89

126

65/65

2.5 "/2.5"

68.5

76

110

65/80

2.5 "/3"

68.5

89

126

80/80

3 "/3"

81.5

89

126

* يمكن تخصيص المواد وعمليات التصنيع عند الطلب.
* يمكن أيضًا تخصيص المتطلبات الأخرى (مثل ضغط العمل ، وضغط الانفجار ، وما إلى ذلك)

Jiangsu jinding شركة الحماية من الحرائق ، المحدودة
تأسست شركة Jiangsu Jinding Fire Protection Technology Co. ، Ltd. ، التي تقع في منطقة Jiang Su Xinghua للتنمية الاقتصادية ، في عام 1998. وهي شركة صناعية تدمج التصميم والتطوير والإنتاج والمبيعات. اجتازت الشركة شهادة الجودة من نظام الجودة وإصدار الشهادات الطوعية للمنتج ، وحصلت المنتجات ذات الصلة على تقرير التفتيش على مركز الإشراف على جودة المعدات الوطني للمعدات والتفتيش.
تُصنّع شركتنا بشكل رئيسي عدة سلاسل من المنتجات، بما في ذلك وصلات مكافحة الحرائق، وفوهات المياه، وصنابير إطفاء الحرائق، ووصلات الأنابيب كبيرة القطر، ووصلات إمدادات مياه حقول النفط. تُستخدم هذه المنتجات على نطاق واسع في صناعات مكافحة الحرائق، والبترول، والكيماويات، والعسكرية، وغيرها.
تتمتع الشركة بقدرة جيدة على البحث والتطوير ولديها مجموعة كاملة من عمليات الإنتاج مثل تصنيع القوالب ومعالجة الإنتاج واختبار المنتجات. في الوقت نفسه ، تعلق المؤسسة أهمية متطلبات العملاء ، ويدرك في الوقت المناسب ديناميات السوق ، وتطور وإنتاج منتجات جديدة بشكل مستمر ، وتفوز بثقة وامتدح العملاء الجدد والقدامى.
تقدم الشركة خدمات موثوقة توصيلات محول Storz - Male Machino واحترافية تعتمد على الالتزام بالجودة والشراكات التعاونية، وتسعى جاهدة لبناء علاقات تعاونية مستدامة مع العملاء.
27+

27 سنة من الصناعة تجربة التصنيع

الشهادات
أخبار
دعونا نجري محادثة
فقط قل مرحبًا وسنبدأ تعاونًا مثمرًا. ابدأ قصة النجاح الخاصة بك.
هل تحتاج إلى معدات لعملك؟
دع فريقنا يوفر لك حلول مخصصة.