+86-0523-83274900
توصيلات محول Storz - ذات شواهد
بيت / منتج / محولات / توصيلات محول Storz - ذات شواهد

توصيلات محول Storz - ذات شواهد

يتم استخدام توصيلات المحول للاتصال أو التحويل بين المعايير المختلفة وأنواع التجهيزات. إنها تسمح بتوصيل واجهات غير متوافقة مع بعضها البعض بسلاسة.

تشمل توصيلات المحول ، على سبيل المثال لا الحصر: الألمانية إلى Storz (ذكر/أنثى) ، الألمانية إلى الغابات ، الألمانية إلى الألمانية قفل الذات ، الألمانية إلى الحافة ، الألمانية إلى متعددة الأسنان ، ذكور Storz إلى Storz أنثى ، Storz إلى الغابات ، إلخ.
يمكن تخصيص جميع أنواع توصيلات المحول عند الطلب.

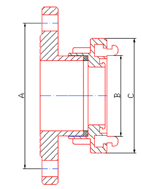
أبعاد موارد

البند لا.

DIN/MM

ديا

A/MM

ب/مم

ج/مم

/

80

3 "

160

89

126

Small100

4 "

180

115

156

100 (المعيار الأمريكي)

4 "

190.5

115

156

كبير 100

4 "

180

133

182

Big 100 (المعيار الأمريكي)

4 "

190.5

133

182

150

6 "

240

160

215

150 (المعيار الأمريكي)

6 "

241.3

160

215

200

8 "

295

220

280

200 (المعيار الأمريكي)

8 "

298.5

220

280

250

10 "

355

278

339

250 (المعيار الأمريكي)

10 "

362

278

339

300

12 "

410

316

384

300 (المعيار الأمريكي)

12 "

431.8

316

384

350

14 "

470

366

448

350 (المعيار الأمريكي)

14 "

476.3

366

448

* يمكن تخصيص المواد وعمليات التصنيع عند الطلب.
* يمكن أيضًا تخصيص المتطلبات الأخرى (مثل ضغط العمل ، وضغط الانفجار ، وما إلى ذلك)

Jiangsu jinding شركة الحماية من الحرائق ، المحدودة
تأسست شركة Jiangsu Jinding Fire Protection Technology Co. ، Ltd. ، التي تقع في منطقة Jiang Su Xinghua للتنمية الاقتصادية ، في عام 1998. وهي شركة صناعية تدمج التصميم والتطوير والإنتاج والمبيعات. اجتازت الشركة شهادة الجودة من نظام الجودة وإصدار الشهادات الطوعية للمنتج ، وحصلت المنتجات ذات الصلة على تقرير التفتيش على مركز الإشراف على جودة المعدات الوطني للمعدات والتفتيش.
تُصنّع شركتنا بشكل رئيسي عدة سلاسل من المنتجات، بما في ذلك وصلات مكافحة الحرائق، وفوهات المياه، وصنابير إطفاء الحرائق، ووصلات الأنابيب كبيرة القطر، ووصلات إمدادات مياه حقول النفط. تُستخدم هذه المنتجات على نطاق واسع في صناعات مكافحة الحرائق، والبترول، والكيماويات، والعسكرية، وغيرها.
تتمتع الشركة بقدرة جيدة على البحث والتطوير ولديها مجموعة كاملة من عمليات الإنتاج مثل تصنيع القوالب ومعالجة الإنتاج واختبار المنتجات. في الوقت نفسه ، تعلق المؤسسة أهمية متطلبات العملاء ، ويدرك في الوقت المناسب ديناميات السوق ، وتطور وإنتاج منتجات جديدة بشكل مستمر ، وتفوز بثقة وامتدح العملاء الجدد والقدامى.
تقدم الشركة خدمات موثوقة توصيلات محول Storz - ذات شواهد واحترافية تعتمد على الالتزام بالجودة والشراكات التعاونية، وتسعى جاهدة لبناء علاقات تعاونية مستدامة مع العملاء.
27+

27 سنة من الصناعة تجربة التصنيع

الشهادات
أخبار
دعونا نجري محادثة
فقط قل مرحبًا وسنبدأ تعاونًا مثمرًا. ابدأ قصة النجاح الخاصة بك.
هل تحتاج إلى معدات لعملك؟
دع فريقنا يوفر لك حلول مخصصة.