+86-0523-83274900
قفل Storz اقتران الخيوط

قفل Storz اقتران الخيوط

ينتمي اقتران Storz Locking الخيوط إلى سلسلة اقتران Storz ، مع نهاية واحدة تتميز موضوع داخلي أو خارجي والطرف الآخر وجود Storz قفل اقتران.
يستخدم هذا الاقتران قم بتوصيل خراطيم الحريق ومعدات مكافحة الحرائق (مثل مضخات الحريق وخراطيم النار ومراتم النار).
تتوفر هذه السلسلة بشكل أساسي بأحجام كبيرة ، في حين يمكن تخصيص الأحجام الأصغر عند الطلب.

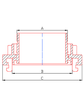
أبعاد موارد

البند لا.

DIN/MM

ديا

A/MM

ب/مم

ج/مم

/

100

4 "

M100*3

115

156

125

5 "

M125*3

148

196

150

6 "

M145*3

160

215

200

8 "

M200*4

220

280

250

10 "

M255*4

278

339

300 (3teeth)

12 "

M290*4

316

384

350

14 "

M350*4

336

448

* يمكن تخصيص المواد وعمليات التصنيع عند الطلب.
* يمكن أيضًا تخصيص المتطلبات الأخرى (مثل ضغط العمل ، وضغط الانفجار ، وما إلى ذلك)

Jiangsu jinding شركة الحماية من الحرائق ، المحدودة
تأسست شركة Jiangsu Jinding Fire Protection Technology Co. ، Ltd. ، التي تقع في منطقة Jiang Su Xinghua للتنمية الاقتصادية ، في عام 1998. وهي شركة صناعية تدمج التصميم والتطوير والإنتاج والمبيعات. اجتازت الشركة شهادة الجودة من نظام الجودة وإصدار الشهادات الطوعية للمنتج ، وحصلت المنتجات ذات الصلة على تقرير التفتيش على مركز الإشراف على جودة المعدات الوطني للمعدات والتفتيش.
تُصنّع شركتنا بشكل رئيسي عدة سلاسل من المنتجات، بما في ذلك وصلات مكافحة الحرائق، وفوهات المياه، وصنابير إطفاء الحرائق، ووصلات الأنابيب كبيرة القطر، ووصلات إمدادات مياه حقول النفط. تُستخدم هذه المنتجات على نطاق واسع في صناعات مكافحة الحرائق، والبترول، والكيماويات، والعسكرية، وغيرها.
تتمتع الشركة بقدرة جيدة على البحث والتطوير ولديها مجموعة كاملة من عمليات الإنتاج مثل تصنيع القوالب ومعالجة الإنتاج واختبار المنتجات. في الوقت نفسه ، تعلق المؤسسة أهمية متطلبات العملاء ، ويدرك في الوقت المناسب ديناميات السوق ، وتطور وإنتاج منتجات جديدة بشكل مستمر ، وتفوز بثقة وامتدح العملاء الجدد والقدامى.
تقدم الشركة خدمات موثوقة قفل Storz اقتران الخيوط واحترافية تعتمد على الالتزام بالجودة والشراكات التعاونية، وتسعى جاهدة لبناء علاقات تعاونية مستدامة مع العملاء.
27+

27 سنة من الصناعة تجربة التصنيع

الشهادات
أخبار
دعونا نجري محادثة
فقط قل مرحبًا وسنبدأ تعاونًا مثمرًا. ابدأ قصة النجاح الخاصة بك.
هل تحتاج إلى معدات لعملك؟
دع فريقنا يوفر لك حلول مخصصة.